89Sxx Development Board
89Sxx based SMS Controller

Click here for details
Nostalgic Crystal Radio
Click here for details
PC Based FM Radio
Click here to download schematic
50 Watt MOSFET Audio Amplifier
Bi-Directional 2.4GHz RF Amplifier
100 Watt Inverter Circuit
Infrared Sensor (IR) Schematic Diagram
Infrared Sensor Schematic
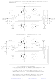
LM 311- Comparator Controlled H-Bridge Motor Driving Circuit Diagram
H-Bridge Motor Control Circuit Using L298
100 Watt Inverter Circuit Diagram
Transmitter FM 45W
Tendency of catering: 220V AC
Frequency of emission at FM: 88~108MHz
Force of expense: max 45W (without the R3),
Components & Their values.....
R1 15KW/2W R2 1KW/10W R3 1KW/10W (for biggest force in the exit you replace with short-circuit). C1 50pF trimmer C2 30pF trimmer C3 22pF/4KV C4, c6, c9 10nF/1KV C5, c7 1nF/1KV C8 100mF+100mF/450V (Double electrolytic) C9, c10 10nF RFC1, rfc2, rfc3 air Inductors: 15 coils diameter 8mm, from wire 1mm. T1 Transformer 220V/6V-1A T2 Transformer of configuration with being first 4 or 8W T3 Inductor with core ferrite (externally it resembles with small transformer but has a turn only). D1 BY127 rectifier Lamp 807 SYLV USA or EL34 or equivalent ANTENNA Simple dipole L/2. (L= wave length) S1 Main switch of catering. S2 Switch of catering of rise (him we close after zestacej' the thread).
Most elements you can him find in a old back-white television with lamps.
Regulations:
With the C2 we regulate the frequency.With the C1 we adapt the resistance of aerial (practically him we regulate so that it is heard our voice in the radio as long as you become cleaner).Notes: The catering better it does not become at straight line from the network 220V but via transformer 220V/220V of isolation and safety 1A.When does not exist the R3, the force of expense is bigger, but respectively is increased also the hum 50Hz, because the simplicity of designing.The control (Audio In) can become from a kasseto'fwno or other powerful source. If it is microphone it will be supposed precedes amplifier so that it acquires a force of order of 8W roughly.
Source: http://www.electronics-lab.com
Stereo Fm Transmitter using BH1417 IC
Capacitors C18 and C19 are DC decoupling
capacitors for the left and right channel inputs. Capacitors C1 and C17
are used to set the amount of pre-emphasis required and here with the
used values it is 50uS. Capacitors C2 and C16 sets the roll-off point of
the low pass filter. The crystal X1 is a 7.6MHz crystal which sets the
oscillator’s frequency while capacitors C13 and C14 associated with are
used for providing the appropriate loading. Resistors R8 to R11 are the
pull-up resistors for the D0 to D3 (pins 15 to 18 of the IC)
respectively. These pins can be held low by closing the corresponding
switches. The RF oscillator of the IC is tuned using the components L1,
C11, C12 and D1. Capacitor C11 prevents and DC voltage being applied to
the varicap diode D1 and thereby prevents current flow into the inductor
L1. More over it reduces the effects of changes in the capacitance of
D1 on the pin 9. Capacitor C7 prevents any DC current from flowing into
the inductor L1 from pin 9 of the IC. The composite output signal at pin
5 is applied to the junction of R6 and R7 though a network comprising
of components C4, C5, C6 and R1. In the circuit pin 19 of the circuit is
left unconnected, but an optional capacitor at this pin can be used to
set the pilot level and phase. Any way such a capacitor is not at all a
necessity here and the circuit will work perfectly even if the capacitor
at pin 9 is omitted.
The composite output signal undergoes
some attenuation while passing through this network and finally reaches
the varicap diode D1. The carrier frequency is controlled using the PLL
(phase lock loop) phase detector output pin (pin 7) and the components
connected around it. The darlington transistor Q1 is driven by the
output of the pin7 and the transistor applies a control voltage on the
varicap diode through resistor R5, R6 and R7. Capacitor C10 works as a
high frequency filter while R7 is meant for isolation. Resistor R4 and
capacitor C9 connected in series between the collector and base of Q1
provides further filtering. Resistor R4 improves the response of the
transistor to transient changes while capacitor C9 improves low
frequency filtering. Capacitor C8 connected between collector and base
of Q1 provides additional high frequency filtering. Resistor R3 serves
as the collector load for the transistor Q1.
The modulated RF output is available at
pin 11 and it is fed to the antenna through a filter network consisting
of components L2, L3, C20, and C21. The job of this filter network is to
remove harmonics. Resistors R12, R13 and R14 reduces the signal level
to the antenna and as a result decreases the output power of the
transmitter. Such a reduction is necessary to make the transmitter legal
because in many countries transmitters that has an output power more
than few milli watts (may change from nation to nation) are illegal. By
omitting R12, R13, R14 and connecting the antenna directly to the
junction of L2 and C21, the range can be increased, but do it at your
own risk.
source:http://www.circuitstoday.com
2 km FM transmitter
Description.
With a matching antenna, the FM transmitter circuit shown here can transmit signals up to a range of 2 kilo meters. The transistor Q1 and Q2 forms a classic high sensitive preamplifier stage. The audio signal to be transmitted is coupled to the base of Q1 through capacitor C2. R1, R3, R4, R6, R5 and R9 are the biasing resistors for the preamplifier stage comprising of Q1 and Q2. Transistor Q3 performs the collective job of oscillator, mixer and final power amplifier.C9 and L1 forms the tank circuit which is essential for creating oscillations. Inductor L2 couples the FM signal to the antenna.
With a matching antenna, the FM transmitter circuit shown here can transmit signals up to a range of 2 kilo meters. The transistor Q1 and Q2 forms a classic high sensitive preamplifier stage. The audio signal to be transmitted is coupled to the base of Q1 through capacitor C2. R1, R3, R4, R6, R5 and R9 are the biasing resistors for the preamplifier stage comprising of Q1 and Q2. Transistor Q3 performs the collective job of oscillator, mixer and final power amplifier.C9 and L1 forms the tank circuit which is essential for creating oscillations. Inductor L2 couples the FM signal to the antenna.
Medium power FM transmitter circuit
Description.
This is the circuit diagram of a moderate power FM transmitter circuit
employing two transistors.The voice signals picked by the microphone
will be amplified by the transistor Q1.The second transistor is wired as
an oscillator operating in the FM band.The output of T1 is given to
the base of T2.T2 performs the modulation also.The tank circuit
comprising of components L1 and C6 determines the frequency of the
signal, and can be varied by adjusting C6.The capacitor C7 couples the
FM signal to the antenna.
Circuit diagram with Parts list.

more coming soon








No comments:
Post a Comment